GPS 2eme monte sur Laguna III ?
Re: GPS 2eme monte sur Laguna III ?
Je pense à un truc en voyant ta photo... T'as installé la commande radio? Ou elle est comme ça d'origine la tienne?
Re: GPS 2eme monte sur Laguna III ?
Les coax. d'antennes passent par le bas dans les garnitures sous les portières.
Tu devrais en avoir 3 câbles fins dans une même gaine. Tu as dit avoir vu 2 câbles derrière l'ampli-tuner, il suffit de les suivre et voir si un autre câble les rejoint. Que montre ton schéma du Dialogys ?
Voilà le mien:
On aperçoit bien les 3 câbles. Il manque un ampli (celui de la radio car déjà monté d'origine).
Tu devrais en avoir 3 câbles fins dans une même gaine. Tu as dit avoir vu 2 câbles derrière l'ampli-tuner, il suffit de les suivre et voir si un autre câble les rejoint. Que montre ton schéma du Dialogys ?
Voilà le mien:
On aperçoit bien les 3 câbles. Il manque un ampli (celui de la radio car déjà monté d'origine).
- Fichiers joints
-
- Dialogys.JPG (86.2 Kio) Vu 28491 fois
Modifié en dernier par Mithou88 le sam. 26 mai 2012 09:02, modifié 2 fois.
Re: GPS 2eme monte sur Laguna III ?
J'ai eu l'impression que les deux câbles relié à l'ampli n'était pas gaîné en bas... Mais j'ai vu deux câbles fins, un gros tout mou et un autre ou on a l'impression qu'il y en a plusieurs. C'est peut-être ce dernier qui contient les 3 câbles 
Mais, je dois avoir forcément des câbles en attente? Le 3ème câble de ce toron là, il se branche où?
Tu passes quoi par le haut toi?
Mais, je dois avoir forcément des câbles en attente? Le 3ème câble de ce toron là, il se branche où?
Tu passes quoi par le haut toi?
Re: GPS 2eme monte sur Laguna III ?
Uniquement le micro qui va derrière le plafonnier.
Re: GPS 2eme monte sur Laguna III ?
J'avais oublié de répondre,
Sur la photo c'est la nouvelle commande radio (commande sous volant). Elle a un bouton de plus en dessous.
Sur la photo c'est la nouvelle commande radio (commande sous volant). Elle a un bouton de plus en dessous.
Re: GPS 2eme monte sur Laguna III ?
Ok. La commande radio... Devoir démonter le volant...
Je testerais tout sans monter d'abord 
Sinon, je viens de commander le joystick, pour 40€
Référence : 8200326970 et d'après Dialogys, c'est une ancienne référence.
Mardi, je ferais de même pour l'écran, le support écran et le boitier témoin à 210€.
Et j'espère avoir des nouvelles de la casse allemande pour encore acheter quelques trucs
Sinon, je viens de commander le joystick, pour 40€
Mardi, je ferais de même pour l'écran, le support écran et le boitier témoin à 210€.
Et j'espère avoir des nouvelles de la casse allemande pour encore acheter quelques trucs
Re: GPS 2eme monte sur Laguna III ?
Pas nécessaire de démonter le volant, juste la coquille en dessous pour atteindre le connecteur. Une vis à enlever et deux ergots à déclipser. Ca vient tout seul.
Le plus chiant c'est la coquille.
Le plus chiant c'est la coquille.
Re: GPS 2eme monte sur Laguna III ?
Bon à savoir ça
Sur ma Mégane, quand j'ai changé le volant et la commande sous volant, pour enlever la commande radio, il fallait absolument tout changer parce qu'elle est fixée à la commande sous volant avec une T20...
Re: GPS 2eme monte sur Laguna III ?
Je viens de penser à un truc... la Façade aérateur! Je l'avais oublié... je vais regarder si je la trouve...
Re: GPS 2eme monte sur Laguna III ?
Salut,
Tu risques de trouver tout le bloc sans la commande chauffage-clim, le lecteur de carte et le support gobelet, c'est ce que j'ai dû acheter. Méfie toi, regarde bien les photos car tu risques de retrouver le même que celui que tu as déjà. Assure toi qu'il y a bien le déport. Tu peux aussi trouver sur site allemand le bloc mais avec le lecteur de carte et le support gobelet inversés...démontage sur véhicule anglais donc volant à droite. Ce n'est pas gênant car le fond de bloc est pour direction à gauche comme à droite.
Méfiance aussi pour la baguette décor, j'ai failli me faire avoir, le même décor que la baguette d'origine mais faite pour direction à droite, donc aussi inversée !
Pour le joystick il te faudra le support, s'il n'est pas vendu avec...environ 25 € chez Renault.
Tu risques de trouver tout le bloc sans la commande chauffage-clim, le lecteur de carte et le support gobelet, c'est ce que j'ai dû acheter. Méfie toi, regarde bien les photos car tu risques de retrouver le même que celui que tu as déjà. Assure toi qu'il y a bien le déport. Tu peux aussi trouver sur site allemand le bloc mais avec le lecteur de carte et le support gobelet inversés...démontage sur véhicule anglais donc volant à droite. Ce n'est pas gênant car le fond de bloc est pour direction à gauche comme à droite.
Méfiance aussi pour la baguette décor, j'ai failli me faire avoir, le même décor que la baguette d'origine mais faite pour direction à droite, donc aussi inversée !
Pour le joystick il te faudra le support, s'il n'est pas vendu avec...environ 25 € chez Renault.
Re: GPS 2eme monte sur Laguna III ?
En relisant les posts je me pose une question quant au joystick que tu as commandé, c'est en effet une ancienne référence avec en matériel de remplacement 3 autres références. Pour mon montage, Dialogys ne me donne que les 3 dernières (les remplaçantes) sans la tienne.
Comme dit le proverbe "Qui peut le plus peut le moins"...voilà donc ma question: Fait-elle le plus ?
N'y aurait-il pas des fonctions qu'elle ne fait pas mais que les 3 autres ont et qui ne seront pas utilisées dans le cadre d'un montage en remplacement de la 8200326970 ???
A voir !
Comme dit le proverbe "Qui peut le plus peut le moins"...voilà donc ma question: Fait-elle le plus ?
N'y aurait-il pas des fonctions qu'elle ne fait pas mais que les 3 autres ont et qui ne seront pas utilisées dans le cadre d'un montage en remplacement de la 8200326970 ???
A voir !
Re: GPS 2eme monte sur Laguna III ?
J'ai trouvé ça pour la commande centrale : http://www.leboncoin.fr/equipement_auto ... tm?ca=14_s
Pas de porte gobelet, mais le reste y est
Pour le joystick, la référence dit que ça peut venir de 4 voitures. Laguna II entre autre. Mais quand tu vas dans PR et que tu rentres la référence, il te donne les 3 autres qu'il y a pour la Laguna III. Je l'avais fait aussi pour les calculateurs que j'ai pu trouver, et quand ça n'était pas pareil que celui de la Laguna III, je le voyais.
Par contre, il faut un support pour le joystick? C'est drôle, mais je m'en doutais... J'aurais du acheter un joystick du site allemand, il y avait le support... Je vais chercher sur Dialogys. Si t'as la référence, je suis preneur
Voilà le joystick (si tu le vois, parce que vu que la vente est terminé...)
http://cgi.ebay.fr/ws/eBayISAPI.dll?Vie ... 500wt_1413
Pour la baguette décors, j'ai fait attention à ça, j'ai bien regardé
Tu l'as commandé ou ta baguette? T'as le tout petit bout aussi? J'ai trouvé certaines pièces dans la boutique de "boeckautoteile" sur eBay. Mais c'est difficile de communiquer et il ne m'a toujours pas dit si il y avait le petit morceau...
Sinon, voilà l'autoradio que je vais prendre (il faudra faire une modif avec celui que j'ai pour récupérer la façade noire, mais c'est faisable, j'ai regardé)
http://cgi.ebay.fr/ws/eBayISAPI.dll?Vie ... 098wt_1157
Le câblage multimédia (il est accompagné du câblage habitacle dont je n'ai pas besoin. J'espère qu'il va me vendre juste ce que j'ai besoin pour moins cher.)
http://cgi.ebay.fr/ws/eBayISAPI.dll?Vie ... 221wt_1157
Commande radio
http://cgi.ebay.fr/ws/eBayISAPI.dll?Vie ... 926wt_1157
Et la baguette "alu" : (et je ne sais pas si c'est la bonne couleur et si il y a le petit morceau, la référence donnée n'est pas bonne)
http://cgi.ebay.fr/ws/eBayISAPI.dll?Vie ... 167wt_1157
Pas de porte gobelet, mais le reste y est
Pour le joystick, la référence dit que ça peut venir de 4 voitures. Laguna II entre autre. Mais quand tu vas dans PR et que tu rentres la référence, il te donne les 3 autres qu'il y a pour la Laguna III. Je l'avais fait aussi pour les calculateurs que j'ai pu trouver, et quand ça n'était pas pareil que celui de la Laguna III, je le voyais.
Par contre, il faut un support pour le joystick? C'est drôle, mais je m'en doutais... J'aurais du acheter un joystick du site allemand, il y avait le support... Je vais chercher sur Dialogys. Si t'as la référence, je suis preneur
Voilà le joystick (si tu le vois, parce que vu que la vente est terminé...)
http://cgi.ebay.fr/ws/eBayISAPI.dll?Vie ... 500wt_1413
Pour la baguette décors, j'ai fait attention à ça, j'ai bien regardé
Sinon, voilà l'autoradio que je vais prendre (il faudra faire une modif avec celui que j'ai pour récupérer la façade noire, mais c'est faisable, j'ai regardé)
http://cgi.ebay.fr/ws/eBayISAPI.dll?Vie ... 098wt_1157
Le câblage multimédia (il est accompagné du câblage habitacle dont je n'ai pas besoin. J'espère qu'il va me vendre juste ce que j'ai besoin pour moins cher.)
http://cgi.ebay.fr/ws/eBayISAPI.dll?Vie ... 221wt_1157
Commande radio
http://cgi.ebay.fr/ws/eBayISAPI.dll?Vie ... 926wt_1157
Et la baguette "alu" : (et je ne sais pas si c'est la bonne couleur et si il y a le petit morceau, la référence donnée n'est pas bonne)
http://cgi.ebay.fr/ws/eBayISAPI.dll?Vie ... 167wt_1157
Re: GPS 2eme monte sur Laguna III ?
Réf. du support joystick: 280724911R.
OK pour le bloc aération, c'est une très bonne affaire si conforme à la photo et que le neuf photographié n'a pas été monté sur le véhicule et qu'il te refile celui d'origine peut-être moins beau, mais en général les occas. sont en bon état.
ATTENTION
La baguette décor ne va pas, c'est ce que je te disais, si tu regardes bien le bout à l'extrême droite...la pointe du dessus part vers la gauche (voiture anglaise avec conduite à droite) alors que nous il part vers la droite.
J'ai eu affaire au même vendeur et il jouait sur les mots avec conduite à droite (volant à droite et circulation sur la voie gauche en Angleterre et volant à gauche avec circulation à droite comme en Europe).
La référence de l'autoradio ne colle pas, il faut une 281150017R avec ampli séparé 280600004R, celle que tu vois est une 11R, elle a l'ampli-tuner incorporé. De plus bricoler la face avant ??? il y a une nappe fragile à démonter et je crois qu'il y a aussi des rivets. Tu dois pouvoir en trouver une noire avec la bonne référence.
Pour le faisceau, tu vas en trouver un neuf chez Renault pour le même prix et il sera sur mesure. Si tu prends le faisceau complet de la voiture ce n'est pas garanti que celui du multimédia soit indépendant alors bonjours la galère si tu dois bricoler tout ça...Bon, ça n'engage que moi.
OK pour le bloc aération, c'est une très bonne affaire si conforme à la photo et que le neuf photographié n'a pas été monté sur le véhicule et qu'il te refile celui d'origine peut-être moins beau, mais en général les occas. sont en bon état.
ATTENTION
La baguette décor ne va pas, c'est ce que je te disais, si tu regardes bien le bout à l'extrême droite...la pointe du dessus part vers la gauche (voiture anglaise avec conduite à droite) alors que nous il part vers la droite.
J'ai eu affaire au même vendeur et il jouait sur les mots avec conduite à droite (volant à droite et circulation sur la voie gauche en Angleterre et volant à gauche avec circulation à droite comme en Europe).
La référence de l'autoradio ne colle pas, il faut une 281150017R avec ampli séparé 280600004R, celle que tu vois est une 11R, elle a l'ampli-tuner incorporé. De plus bricoler la face avant ??? il y a une nappe fragile à démonter et je crois qu'il y a aussi des rivets. Tu dois pouvoir en trouver une noire avec la bonne référence.
Pour le faisceau, tu vas en trouver un neuf chez Renault pour le même prix et il sera sur mesure. Si tu prends le faisceau complet de la voiture ce n'est pas garanti que celui du multimédia soit indépendant alors bonjours la galère si tu dois bricoler tout ça...Bon, ça n'engage que moi.
Re: GPS 2eme monte sur Laguna III ?
Merci pour le support joystick. Tu le trouve où dans Dialogys?
La baguette décors, je viens de comparer avec la mienne... Effectivement, j'ai mal regardé. Merci. Tu l'avais acheté chez lui la baguette? Tu as eu le petit morceau aussi?
Par contre, la référence autoradio, ça va
Si tu vas dans Dialogys, Laguna III, BT1E avec Harm02 (et pas Harm01) Tu choisis Rad03 et Niveau 4 et il te donne cette référence là
Je vais aller démonter mon autoradio pour essayer d'enlever la façade noire pour être certain
L'ampli, aucun problème, je l'ai déjà.
Pour le câblage multimédia, je veux des photos, parce qu'il me fait les deux faisceaux à 190€ alors que je ne veux qu'une seule référence... C'est sûr que si il ne veut pas séparer, je vais acheter du neuf chez Renault
Je m'en vais démonter mon autoradio
La baguette décors, je viens de comparer avec la mienne... Effectivement, j'ai mal regardé. Merci. Tu l'avais acheté chez lui la baguette? Tu as eu le petit morceau aussi?
Par contre, la référence autoradio, ça va
Pour le câblage multimédia, je veux des photos, parce qu'il me fait les deux faisceaux à 190€ alors que je ne veux qu'une seule référence... C'est sûr que si il ne veut pas séparer, je vais acheter du neuf chez Renault
Je m'en vais démonter mon autoradio
Re: GPS 2eme monte sur Laguna III ?
Support:
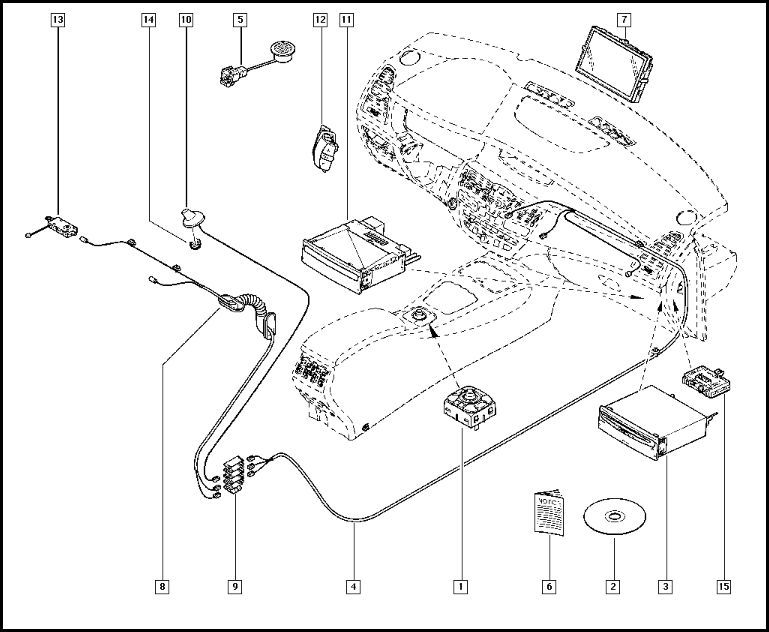
Sellerie-Electricité -> Accessoires intérieurs -> Support radio-console.
2 ème planche, pièce 12.
Je ne comprends pas...si tu as déjà une RAD03 ton chargeur 6CD devrait coller, à savoir un 17R ?
Sellerie-Electricité -> Accessoires intérieurs -> Support radio-console.
2 ème planche, pièce 12.
Je ne comprends pas...si tu as déjà une RAD03 ton chargeur 6CD devrait coller, à savoir un 17R ?
Re: GPS 2eme monte sur Laguna III ?
Non, j'ai 14R... C'est pas tout à fait le même... Mais je pense suivre tes conseils à savoir : trouver un autoradio noir et prendre le câblage multimédia neuf. L'autoradio, j'ai testé de le démonter, le bouton rotatif coince pour tout enlever...
Du coup, je ne vais rien commander pour le moment chez l'allemand
De toute façon, je testerais (si j'ai le calculateur avant bien entendu) avec mon autoradio
Du coup, je ne vais rien commander pour le moment chez l'allemand
De toute façon, je testerais (si j'ai le calculateur avant bien entendu) avec mon autoradio